3D slagalica sa slike je na prvi pogled komplikovana za modeliranje, ali ako pogledate video uputstvo koje sam napravio, videćete da se u FreeCAD-u ovakvi sklopovi veoma brzo modeliraju.


Ceo proces modeliranja je veoma jednostavan:

  • pravljenje kocke,

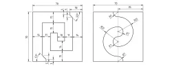
  • crtanje jednog profila (npr. izlomljenog - onaj sastavljen od linija) u pogledu sdesna,

  • crtanje drugog profila (npr. zaobljenog - onaj sastavljen od kružnica)u pogledu straga,

  • pravljenje od nacrtanih profila dve grupe stranica,

  • isecanje kocke sa stranicama pomoću alatke Iseci na tela. Pogledajte video uputstvo i biće Vam sve jasno.


3D Slagalica - 3D model

Možete me naći ovde

Verzija FreeCAD-a u kojoj je 3D model modeliran
FreeCAD 0.20

Upotrebljena FreeCAD radna okruženja
Delovi (Part)
Crtanje (Draft)
Skice (Sketcher)

Crtež 3D slagalice


U uputstvu sam hteo da pokažem kako se koristi veoma korisna alatka Iseci na tela, da je svejedno u kom radnom okruženju (Skece ili Crtanje) ćete crtati profile, a takođe i kako možete profile izvesti iz FreeCAD-a u neki drugi program. Mislim da je modeliranje ove 3D slagalice veoma zanimljivo i preporučujem svakom početniku da pogleda uputstvo i proba samostalno da je modelira.

Slagalica je vrsta zagonetke kod koje je zadatak da se od više delova složi traženi kompleksniji oblik u dve ili tri dimenzije. Slagalica je u stvari srpska reč za ono što anglofili i ljubitelji stranih reči danas zovu pazl (engl. Puzzle).


Crtež 3D slagalice

Pogledajte video tutorijal

Rutube

 

Odysee

 

Youtube


Preuzmi 3D model

Submitted by Čeh Jan on