Tolerancijom ravnosti i kružnosti (radijalno bacanje) kontroliše ravnost obrtanja (aksijalno bacanje) i kružnost obrtanja (radijalno bacanje) između definisanih površina.


Tolerancija ravnosti i kružnosti se takođe naziva i tolerancija bacanja.

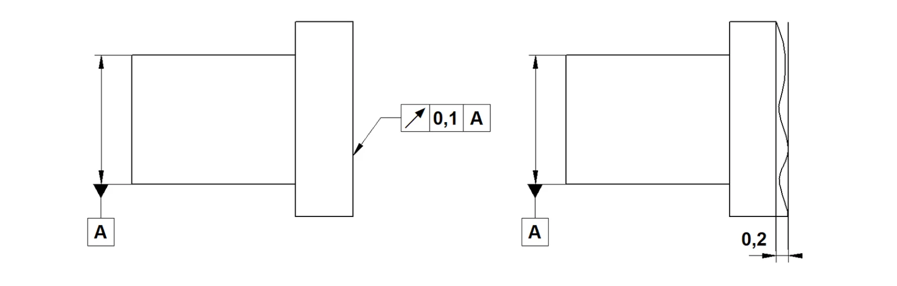
Na sledećoj slici vidimo primer tolerancije ravnosti obrtanja. Čeona površina predmeta na kojoj stoji oznaka tolerancije ravnosti obrtanja prilikom obrtanja sme da se kreće samo unutar zone koju formiraju dve idealno paralelne površine koje su na međusobno rastojanju od 0,1mm u odnosu na cilindričnu površinu na kojoj stoji referentni element oznake tolerancije.


Tolerancija ravnosti obrtanja

Tolerancija ravnosti obrtanja

 

Na sledećoj slici vidimo primer tolerancije kružnosti obrtanja. Cilindrična površina predmeta na kojoj stoji oznaka tolerancije kružnosti obrtanja prilikom obrtanja sme da se kreće samo unutar zone koju formiraju dva koaksijalna cilindra čije je radijalno rastojanje vrednost tolerancije t.j. 0,1mm.

Osim tolerancije ravnosti i kružnosti obrtanja (tolerancija bacanja) postoji i tolerancija ukupne netačnosti obrtanja (tolerancija ukupnog bacanja). Značenje ove tolerancije je isto kao značenje prethodne dve, a jedina razlika među njima je u načinu merenja bacanja prilikom obrtanja.
 


Tolerancija kružnosti obrtanja

Tolerancija kružnosti obrtanja

Submitted by Čeh Jan on